HL Paper 1
Capacitance of a capacitor is defined as the
A. ability to store electrical charge.
B. ratio of charge stored to potential difference.
C. ratio of potential difference to charge stored.
D. ratio of work done to charged stored.
A battery is used to charge a capacitor fully through a resistor of resistance R. The energy supplied by the battery is Eb. The energy stored by the capacitor is Ec.
What is the relationship between Eb and Ec?
A. Eb < Ec
B. Eb = Ec
C. Eb > Ec
D. The relationship depends on R.
An alternating current is sinusoidal and has a maximum value of 1.5 A. What is the approximate value of the root mean squared (rms) current?
A. 2.3 A
B. 1.5 A
C. 1.0 A
D. 0.75 A
A magnetic field of strength \(B\) links a coil. The direction of the field is normal to the plane of the coil. The graph shows how \(B\) varies with time \(t\).

Which of the following graphs shows how the induced \({\text{emf}}\,\varepsilon \) in the coil varies with \(t\)?

Which of the following experiments provides evidence for the existence of matter waves?
A. Scattering of alpha particles
B. Electron diffraction
C. Gamma decay
D. Photoelectric effect
Three identical capacitors, each of capacitance C, are connected as shown.
What is the total capacitance of the combination?
A. \(\frac{2}{3}C\)
B. C
C. \(\frac{3}{2}C\)
D. 3C
A capacitor is charged by a constant current of 2.5 μA for 100 s. As a result the potential difference across the capacitor increases by 5.0 V.
What is the capacitance of the capacitor?
A. 20 μF
B. 50 μF
C. 20 mF
D. 50 mF
An alternating current generator produces a root mean squared (rms) emf of ε at a frequency f. The rotational speed of the coil in the generator is doubled. Which of the following correctly identifies the new output rms emf and the new frequency?
The voltage output of a particular power station is stepped up by a factor of 103. As a result the power loss in the transmission cables is reduced by a factor of
A. 103.
B. 106.
C. 109.
D. 1012.
An ideal transformer has a primary coil with Np turns and a secondary coil with Ns turns. The electrical power input to the primary is P. Which of the following is the power output from the secondary?
A. \(\left( {\frac{{{N_p}}}{{{N_s}}}} \right)P\)
B. P
C. \(\left( {\frac{{{N_s}}}{{{N_p}}}} \right)P\)
D. \(\frac{1}{P}\)
An aircraft with a wing span of 50 m flies horizontally at a speed of \({\text{200 m}}\,{{\text{s}}^{ - 1}}\). The vertical component of the Earth’s magnetic field at the plane’s position is \({\text{10 }}\mu {\text{T}}\).

What electromotive force (emf) is induced between points A and B on the aircraft?
A. 0.1 V
B. 1 V
C. 10 V
D. 100 V
Three capacitors, each one with a capacitance C, are connected such that their combined capacitance is 1.5C. How are they connected?

The graph shows the power dissipated in a resistor of 100 Ω when connected to an alternating current (ac) power supply of root mean square voltage (Vrms) 60 V.

What are the frequency of the ac power supply and the average power dissipated in the resistor?

Raoul suggests that power losses in a transformer may be reduced by the following.
I. Constructing the core from a solid block of steel.
II. Using large diameter wire in the coils.
III. Using wire of low resistivity.
Which of the above suggestions would reduce power loss?
A. I only
B. II only
C. II and III only
D. I, II and III
A rectangular flat coil moves at constant speed through a uniform magnetic field. The direction of the field is into the plane of the paper.

Which graph shows the variation with time t, of the induced emf ε in the coil as it moves from P to Q?

A copper sheet is suspended in a region of uniform magnetic field by an insulating wire connected to a horizontal support. The sheet is pulled to one side so that it is outside the region of the field, and then released.

The uniform magnetic field is directed into the plane of the paper.
Which of the following is true for both the direction of the induced current in the sheet and the change in amplitude of the oscillations of the sheet with time?

Three conducting loops, X, Y and Z, are moving with the same speed from a region of zero magnetic field to a region of uniform non-zero magnetic field.
Which loop(s) has/have the largest induced electromotive force (emf) at the instant when the loops enter the magnetic field?
A. Z only
B. Y only
C. Y and Z only
D. X and Y only
An alternating current (ac) generator produces a peak emf E0 and periodic time T. What are the peak emf and periodic time when the frequency of rotation is doubled?
Six identical capacitors, each of value C, are connected as shown.
What is the total capacitance?
A. \(\frac{C}{6}\)
B. \(\frac{{2C}}{3}\)
C. \(\frac{{3C}}{3}\)
D. 6C
The current I flowing in loop A in a clockwise direction is increasing so as to induce a current both in loops B and C. All three loops are on the same plane.

What is the direction of the induced currents in loop B and loop C?

The ratio \(\frac{{{\text{number of primary turns}}}}{{{\text{number of secondary turns}}}}\) for a transformer is 2.5.
The primary coil of the transformer draws a current of 0.25 A from a 200 V alternating current (ac) supply. The current in the secondary coil is 0.5 A. What is the efficiency of the transformer?
A. 20 %
B. 50 %
C. 80 %
D. 100 %
The rms voltage of a sinusoidal electricity supply is 110V. The maximum potential difference during one cycle is
A. 220 V.
B. 156 V.
C. 110 V.
D. 55 V.
A rectangular loop of conducting wire rotates in a region of magnetic field. The graph shows the variation with time \(t\) of the induced emf in the loop during one cycle.

The resistance of the coil is \({\text{5.0 }}\Omega \). Which of the following is the average power dissipated in the loop?
A. \(\frac{{45}}{2}{\text{ W}}\)
B. \(\frac{{45}}{{\sqrt 2 }}{\text{ W}}\)
C. 45 W
D. \(45\sqrt 2 {\text{ W}}\)
A flat coil with N turns has a cross-sectional area A. The coil has a flux density of B in a direction of 90º to the plane of the coil.
What is the magnetic flux linkage?
A. 0
B. BA
C. NB
D. NBA
The rms current rating of an electric heater is 4A. What direct current would produce the same power dissipation in the electric heater?
A. \(\frac{4}{{\sqrt 2 }}{\rm{A}}\)
B. 4A
C. \(4\sqrt 2 {\rm{A}}\)
D. 8A
In order to reduce power losses in the transmission lines between a power station and a factory, two transformers are used. One is located at the power station and the other at the factory. Which of the following gives the correct types of transformer used?

A permanent bar magnet is moved towards a coil of conducting wire wrapped around a non-conducting cylinder. The ends of the coil, P and Q are joined by a straight piece of wire.

The induced current in the straight piece of wire is
A. alternating.
B. zero.
C. from P to Q.
D. from Q to P.
Faraday’s law of electromagnetic induction states that the electromotive force (emf) induced in a conductor is proportional to
A. the change of magnetic flux density.
B. the change of magnetic flux linkage.
C. the rate of change of magnetic flux density.
D. the rate of change of magnetic flux linkage.
The plane of a coil is positioned at right angles to a magnetic field of flux density B. The coil has N turns, each of area A. The coil is rotated through 180˚ in time t.
What is the magnitude of the induced emf?
A. \(\frac{{BA}}{t}\)
B. \(\frac{{2BA}}{t}\)
C. \(\frac{{BAN}}{t}\)
D. \(\frac{{2BAN}}{t}\)
A parallel-plate capacitor is connected to a cell of constant emf. The capacitor plates are then moved further apart without disconnecting the cell. What are the changes in the magnitude of the electric field between the plates and in the capacitance of the capacitor?
Three capacitors are arranged as shown.
What is the total capacitance of the arrangement?
A. 1.0F
B. 2.5F
C. 3.0F
D. 4.0F
A direct current (dc) of 5A dissipates a power P in a resistor. Which peak value of the alternating current (ac) will dissipate an average power P in the same resistor?
A. 5A
B. \(\frac{5}{2}{\text{A}}\)
C. \(\frac{5}{{\sqrt 2 }}{\text{A}}\)
D. \({\text{5}}\sqrt 2 \,{\text{A}}\)
In an ideal transformer
I. the power output exceeds the power input
II. the magnetic flux produced by the primary coil entirely links the secondary coil
III. there are more turns on the secondary coil than on the primary coil.
Which of the above statements must be true?
A. I and II only
B. I and III only
C. II only
D. III only
A rectangular loop of conducting wire rotates in a region of magnetic field. The graph shows the variation with time \(t\) of the induced emf in the loop during one cycle.

Which of the following gives the correct times at which the magnitude of the magnetic flux linkage and the magnitude of the current in the loop are maximum?

A length of copper wire PQ is moved downwards through the poles of two horizontal bar magnets as shown below.
Compared to end Q, end P will have
A. fewer electrons.
B. more electrons.
C. fewer protons.
D. more protons.
The diagram shows a conducting rod of length L being moved in a region of uniform magnetic field B. The field is directed at right angles to the plane of the paper. The rod slides on conducting rails at a constant speed v. A resistor of resistance R connects the rails.
What is the power required to move the rod?
A. zero
B. \(\frac{{vBL}}{R}\)
C. \(\frac{{{v^2}{B^2}{L^2}}}{R}\)
D. \(\frac{{{v^2}{B^2}{L^2}}}{{{R^2}}}\)
The capacitance of a device is defined as the
A. charge stored by the device.
B. energy stored by the device.
C. charge stored by the device for a potential difference of 1V across the device.
D. energy stored by the device for a potential difference of 1V across the device.
The capacitance of a pixel of a CCD is 3.2 pF. A pulse of light is incident on the pixel and as a result, \({\text{1}}{{\text{0}}^{\text{4}}}\) electrons are ejected from the pixel. The magnitude of the change in potential of the pixel is
A. \(5.0 \times {10^{ - 16}}{\text{ V}}\)
B. \(5.0 \times {10^{ - 4}}{\text{ V}}\)
C. \(2.0 \times {10^3}{\text{ V}}\)
D. \(2.0 \times {10^{15}}{\text{ V}}\)
What are the units of magnetic flux and magnetic field strength?
Which of the following reduces the energy losses in a transformer?
A. Using thinner wires for the windings.
B. Using a solid core instead of a laminated core.
C. Using a core made of steel instead of iron.
D. Linking more flux from the primary to the secondary core.
Two identical resistors R are connected in series to an alternating current (ac) power supply. The power supply has a root mean squared (rms) voltage of V and an rms current of I. What is the maximum power developed in one of the resistors in the circuit?
A. \(\sqrt 2 \) VI
B. VI
C. 2 VI
D. \(\frac{{VI}}{{\sqrt 2 }}\)
An alternating current supply of negligible internal resistance is connected to two resistors that are in parallel.

The resistance of each resistor is \(R\) and the peak voltage of the ac supply is \({V_0}\). Which of the following is the average power dissipated in the circuit?
A. \(\frac{{2V_0^2}}{R}\)
B. \(\frac{{V_0^2}}{R}\)
C. \(\frac{{V_0^2}}{{\sqrt 2 R}}\)
D. \(\frac{{V_0^2}}{{2R}}\)
The graph shows the variation with time t of the magnetic flux φ through a coil that is rotating in a uniform magnetic field.
The magnitude of the emf induced across the ends of the coil is maximum at time(s)
-
t1 and t3.
-
t2 and t4.
-
t3 only.
-
t4 only.
The peak value of an alternating sinusoidal potential difference is 100V. The approximate rms value of the potential difference will be
A. 50V.
B. 70V.
C. 140V.
D. 200V.
A parallel plate capacitor is connected to a cell of negligible internal resistance.

The energy stored in the capacitor is 4 J and the electric field in between the plates is 100 N C–1. The distance between the plates of the capacitor is doubled. What are the energy stored and the electric field strength?

The graph shows the variation with time t of the current I in the primary coil of an ideal transformer.

The number of turns in the primary coil is 100 and the number of turns in the secondary coil is 200. Which graph shows the variation with time of the current in the secondary coil?

A sinusoidal ac power supply has rms voltage V and supplies rms current I. What is the maximum instantaneous power delivered?
A. 2VI
B. \(\sqrt 2 VI\)
C. VI
D. \(\frac{{VI}}{2}\)
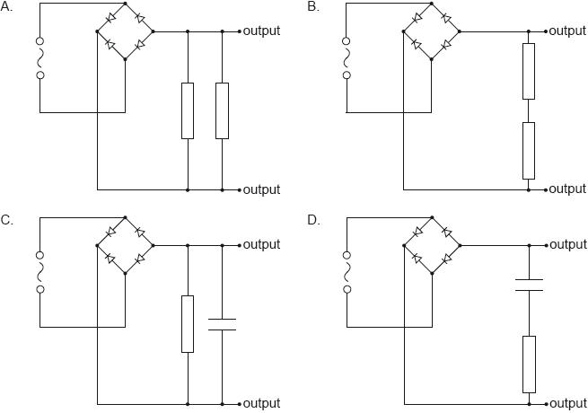
The diagram shows a diode bridge rectification circuit and a load resistor.

The input is a sinusoidal signal. Which of the following circuits will produce the most smoothed output signal?

A coil of wire has a large number of turns. It is moved relative to a fixed magnetic field. The emf generated will be equal to the
A. rate of change of magnetic flux linkage.
B. rate of change of the magnetic flux through the coil.
C. change of magnetic flux linkage.
D. change of the magnetic flux through the coil.
Two identical circular coils are placed one below the other so that their planes are both horizontal. The top coil is connected to a cell and a switch.

The switch is closed and then opened. What is the force between the coils when the switch is closing and when the switch is opening?

Two capacitors of different capacitance are connected in series to a source of emf of negligible internal resistance.
What is correct about the potential difference across each capacitor and the charge on each capacitor?
A conducting square coil is placed in a region where there is a uniform magnetic field. The magnetic field is directed into the page. There is a clockwise current in the coil.
What is a correct force that acts on a side of the coil?
The graph shows the variation with time of a magnetic flux passing through a loop of wire.
What is the magnitude of the emf induced in the coil?
A. The area between the graph and the time axis
B. The area between the graph and the magnetic flux axis
C. The gradient of the graph
D. The inverse of the gradient of the graph
A parallel-plate capacitor is connected to a battery. What happens when a sheet of dielectric material is inserted between the plates without disconnecting the battery?
A. The capacitance is unchanged.
B. The charge stored decreases.
C. The energy stored increases.
D. The potential difference between the plates decreases.
An alternating current (ac) power supply generates an emf with peak amplitude V0 and delivers an average power \(\bar P\). What is the root mean square (rms) current delivered by the supply?
A. \(\frac{{\bar P}}{{2{V_0}}}\)
B. \(\frac{{\bar P}}{{\sqrt 2 {V_0}}}\)
C. \(\frac{{\sqrt 2 \bar P}}{{{V_0}}}\)
D. \(\frac{{2\bar P}}{{{V_0}}}\)
A bar magnet is close to a coil. No other magnetic fields are present. An ammeter is connected to the coil.
The magnet and the coil are moved in the following ways.
I. The magnet and the coil both move to the right with the same speed.
II. The magnet is stationary and the coil moves to the left.
III. The coil is stationary and the magnet moves to the right.
In which of the following will the ammeter indicate a current?
A. I and II only
B. I and III only
C. II and III only
D. I only
A coil of area A is placed in a region of uniform horizontal magnetic field B. At t=0, the coil starts to rotate with constant angular speed ω about a horizontal axis.
What is the emf between X and Y?
A. zero
B. ωAB sin ωt
C. AB cos ωt
D. −ωAB sin ωt
A fully charged capacitor is connected to a resistor. When the switch is closed the capacitor will discharge through the resistor.
Which graphs correctly show how the charge on the capacitor and the current in the circuit vary with time during the discharging of the capacitor?
The graph below shows the variation with time of an alternating current in a resistor of resistance 2.0 Ω.
What is the average power dissipated in the resistor?
A. 0.25 W
B. 8.0 W
C. 16 W
D. 32 W
A uniform magnetic field directed into the page occupies a region of width L. A conducting coil of width L moves at constant speed v, from left to right, through the field.
From the instant that the coil enters the field until the instant that the coil leaves the field, which of the following best describes the direction of the current induced in the coil?
A. Anti-clockwise
B. Clockwise
C. Anti-clockwise then clockwise
D. Clockwise then anti-clockwise
An ideal transformer has 200 turns of wire on the primary coil and 600 turns on the secondary coil. There is an alternating potential difference of frequency ƒ and of peak value V across the primary coil. Which of the following best describes the emf across the secondary coil?
The diagram shows a bar magnet near an aluminium ring.
The ring is supported so that it is free to move. The ring is initially at rest. In experiment 1 the magnet is moved towards the ring. In experiment 2 the magnet is moved away from the ring. For each experiment what is the initial direction of motion of the ring?
The diagram shows a loop L of wire in a uniform magnetic field B.
The loop encloses an area A and the field is directed at an angle θ to the normal to the plane of the loop. The strength of B is increasing at a uniform rate R. What is the emf induced in L?
A. \(\frac{{RA}}{{\cos \theta }}\)
B. RA cos θ
C. \(\frac{{RA}}{{\sin \theta }}\)
D. RA sin θ
The secondary coil of an alternating current (ac) transformer is connected to two diodes as shown.
Which graph shows the variation with time of the potential difference VXY between X and Y?
The diagram shows the view from above as an airplane flies horizontally through the Earth’s magnetic field. The airplane is made of conducting material.
The direction of the induced emf will be from
A. P to R.
B. R to P.
C. S to Q.
D. Q to S.
A full-wave diode rectification circuit is modified with the addition of a capacitor in parallel with the load resistor. The circuit is used to rectify a sinusoidal signal of period 6.3ms. Which graph shows how the potential difference V across the load varies with time?
A coil and a magnet can move horizontally to the left or to the right at the same speed.
In which of the following will a conventional current be induced in the direction shown in the diagram when both the magnet and the coil are moving?
A capacitor of capacitance C discharges through a resistor of resistance R. The graph shows the variation with time t of the voltage V across the capacitor.
The capacitor is changed to one of value 2C and the resistor is changed to one of value 2R. Which graph shows the variation with t of V when the new combination is discharged?
A magnet oscillates above a solenoid as shown.
The magnet is displaced vertically and released from its highest position at time t=0. Which graph shows the variation with time t of the current I in the resistor?
A coil rotates in a magnetic field. The emf ε produced in the coil varies sinusoidally with time t as shown.
Which of the following correctly gives the rms value of the emf and the frequency of rotation of the coil?
The graph shows the variation with time t of the output voltage V of a generator.
Assuming all graph scales are identical, which graph shows the output when the speed of rotation is doubled?
The magnetic flux Φ through a coil with 1000 turns varies with time t as shown in the graph.
What is the magnitude of the emf produced in the coil?
A. 0.04 V
B. 0.06 V
C. 40 V
D. 60 V
The graph shows the variation with time t of the power P produced in a coil that is rotating in a region of uniform magnetic field.
Which of the following describes the average power produced and the period of rotation of the coil?